概述
超声波液位计是由微处理器控制的数字物位仪表。在测量中脉冲超声波由传感器(换能器)发出,声波经物体表面反射后被同一传感器接收,转换成电信号。并由声波的发射和接收之间的时间来计算传感器到被测物体的距离。型号完备,低盲区、高灵敏度,易安装,加上独到的自动功率控制技术,是真正经得起各种现场的考验。
测量介质:水、污水、水泥、酸碱液、煤粉、泥浆、重油等
产品特点
1.仪表具有安全、清洁、精度高、寿命长、稳定可靠、安装维护方便等特点。
2.适用酸、碱、盐、防腐、高温等各种领域。
3.仪表电路从电源部分起就选用高质量的电源元器件,选择进口高稳定可靠的器件,完全可以替代同类型国外进口仪表。
4.非接触式仪表,不跟液体直接接触,因此故障率低。
基础参数
技术指标 | 参数 |
测量范围 | 0~15m(根据实测量程定制) |
盲 区 | 0.35m~0.6m |
测距精度 | ±0.5%(标准条件) |
测距分辨率 | 1mm |
压 力 | <0.1MPa |
仪表显示 | 自带LCD显示 |
声波角度 | 0-12° |
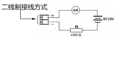
供电电压 | DC24V(二/四线制)、DC12V(四线制)、AC220V(四线制) |
继电器输出 | 选配(AC220V3a/ DC24V3A) |
模拟输出 | 4~20mA(二/四线制)、RS485(四线制) |
环境温度 | -20℃ ~ +60℃ |
防护等级 | IP65 |
外形尺寸

接线方法



四线制接线方式
旋开液晶显示外壳即见仪表的接线板,如下图所示:





